ALLMÄNT

2 - Beskrivning

2.1 - Allmänt

Flygplanet är ett högvingat, fyrsitsigt, enmotorigt reseflygplan med fast huvudställ. Det kan förses med extrasäte för barn och som extrautrustning kan dom främre sätena ha automatiska rullbälten.


2.2 - Skrov och styrorgan

Skrovet är en förstyvad skalkonstruktion i lättmetall, fyra platser och ett bagage rum. Vingen är uppbyggd kring en främre och en bakre genomgående balk. Flygplanet har vanliga skevroder, fena med sidroder, stabilisator med höjdroder och trimroder, allt lättmetall. Alla roder är linstyrda.

Innervingens bakkant utgörs av vingklaffar (WING FLAPS), som manövreras med hjälp av en strömställare. Vid utfällning av vingklaffarna måste strömställaren hållas nedtryckt i läge DOWN tills man får önskat läge. Detta indikeras av en elektrisk indikator på instrumentbrädan.Vid önskat klaffläge släpps strömställaren som då automatiskt går tillbaka till neutralt läge. Full utfällning under flygning tar cirka 9 sekunder. Tryck på strömställaren som på en pianotangent vid utfällning. Greppas den riskerar man att i kyttigt väder sätta den i läge UP där den genom en överknäckningsordning stannar och då går klaffarna in. Det tar ungefär 7 sekunder att under flygning fälla in fullt utfällda klaffar. Genom att sätta strömställaren i läge UP under korta perioder kan klaffarna fällas in gradvis. Efter infällning ska strömställaren sättas i neutralläge.

Styrorganen består av en öppen ratt med rattstång för höjd- och skevroder samt pedaler för sidroder. Höjdtrimratten med sin indikator är placerad under motorreglagen. Skev- och höjdroder kan låsas genom att ett roderlås placeras i ett hål i vänstra rattstången. Magnetomkopplaren kommer då att skymmas av låsets varningsskylt.


2.3 - Landställ och bromsar

Landstället är fast och nosstället försett med jazzdämpare. Noshjulet år styrbart 30° åt båda håller med hjälp av sid-roderpedaler. Fjädring och stötdämpning fẩs med en pneumatisk-hydraulisk dämpare, som normalt fjädrar 10 cm. Huvudställets ben är av stålrör och saknar såväl hydrauliska som mekaniska anordningar. Huvudhjulen är lika stora och sinsemellan utbytbara. Luft fylls på med hjälp av en nålventil som medföljer flygplanet.

Bromsarna, placerade på huvudstället, består av hydrauliska skivbromsar och manövreras var för sig genom att sidroder-pedalernas övre del trycks ned. Parkeringsbromsen ansätts genom att dess handtag dras ut helt. För att frigöra parkeringsbromsen vrids handtaget och skjuts sedan helt in.

Flygplanet har dubbelkommando med ratt, sidroderpedaler och bromspedaler på höger sida. Ratten på höger sida kan tas bort. Flygplanets hjulställ kan bytas mot skidställ eller flottörställ.


2.4 - Motorinstallation och motorreglage

Motorn, som är 4 cylindrig och luftkyld är av typ Lycoming 0-320-E2D. Den utvecklar 150 hk (eller 112 kw) vid 2700 rpm och driver en lättmetallpropeller med fasta blad.

Hjälpapparaterna består av bränslepump, förgasare, tvề magneter, alternator, startmotor, vakuumpump och varvräknargivare. Motorn har ett luftintagsfilter som är placerat under propellernavet, och ett olje system med "våtsump" och mätsticka graderad i US quartz.

Vintertid, när mark-temperaturen kontinuerligt ligger under - 5° C bör dom skärmplåtar som delvis täcker luftintagen till cylindrar och oljekylare monteras.
Oljemängden ska kontrolleras före flygning.

Gasreglaget (THROTTLE) kan låsas i önskat läge med en låsskruv innanför knoppen på reglaget. Utdraget läge ger tomgång, inskjutet läge ger fullgas (OPEN). Om reglagets inställning ska ändras måste låsskruven vridas moturs för att låsningen ska släppa.

Blandningsreglaget (MIXTURE) ger rik bränsleluft - blandning (RICH) i inskjutet läge och mager (LEAN) blandning när det dras ut. Helt utdraget läge fungerar som tomgångsstopp. Knoppen trycks in för att frigöra låsläget.

Förvärmningsreglaget (CARB. HEAT) reglerar proportionen mellan varm och kall luft till förgasaren. Inskjutet läge ger filtrerad kalluft medan utdraget läge ger ofiltrerad varmluft. Beträffande handhavande se kap IV.

Snapsreglaget (PRIMER), som i fullt in skjutet läge låses med bajonettfattning är kopplat direkt till snapspumpen. Snapspumpen fylls med bränsle, då reglaget långsamt dras ut och bränslet sprutas direkt in i motorn, då reglaget skjuts in. Härvid underlättas start med kall motor.

Magnetomkopplaren med sin startnyckel är ett "tändningslås" med fem lägen: OFF = kupé, R = höger magnet, L = vänster magnet, BOTH = båda magneterna samt START startmotorn inkopplad. START-läget är fjäderbelastat så att omkopplaren går tillbaka till BOTH när nyckeln släpps. Nyckeln kan endast tas ut i läge OFF.


2.5 - Värme och ventilation

Varm luft till kabinen och till luftspalterna vid vindrutan erhålls frẩn en värmeväxlare placerad runt motorns avgasrör. Friskluft och varmluft leds till en blandningskammare, varifrån kabinluft med önskad temperatur fås genom insläpp vid sidroderpedalerna, dörrposterna och vindrutan. Ett reglage på högra panelen, märkt CABIN AIR reglerar friskluftmängden (inskjutet läge = stängt, utdraget läge = öppet) medan reglaget märkt CABIN HT reglerar varmluftsmängden (inskjutet läge = stängt, utdraget läge = öppet). Ovanför varje ordinarie sittplats finns reservluftintag, som kan öppnas och stängas individuellt.
Frontrutans defrosterluft regleras med ventiler vid utsläppen.


2.6 - Bränslesystem

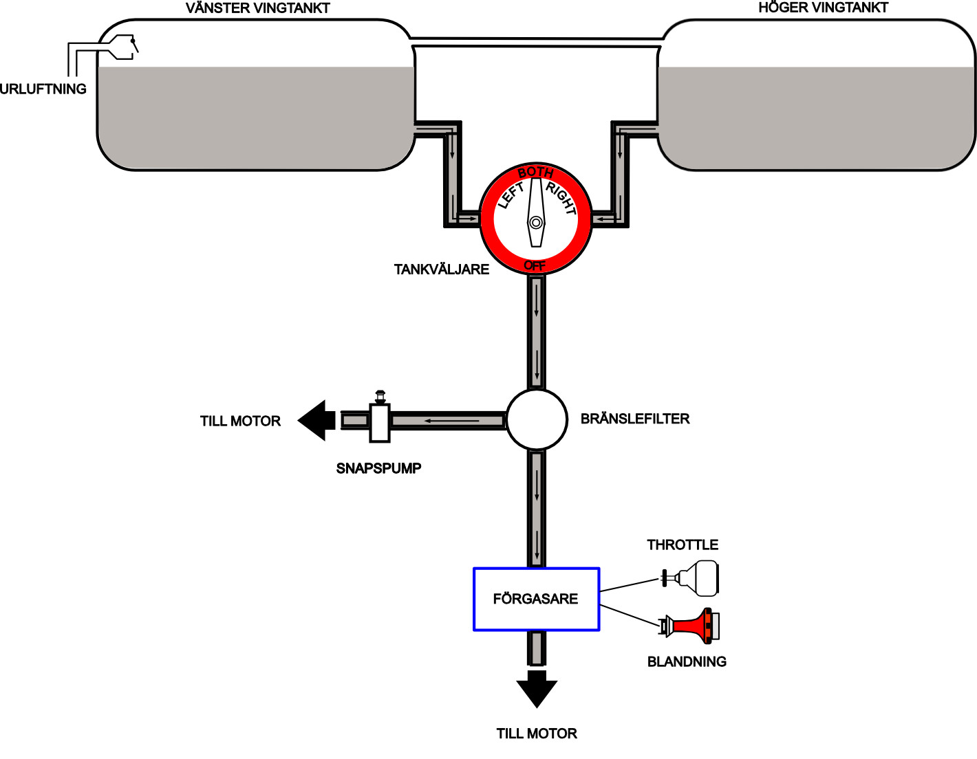
Bränslesystem
Bränslesystem

Flygplanet har en tank i vardera vingen. Standardvingarna kan bytas till vingar som innehåller extra stora tankar. Beträffande bränslemängd och typ se punkt 1. 6 detta kapitel. Tankarna har var sin elektrisk givare för bränslemängdmätarna.

Mätarna är placerade på vänster instrumentbräda. Från tankarna rinner bränslet till en fyrläges tankväljare. Tankväljaren är placerad i mitten nedanför instrumentpanelen och har lägena: LEFT, BOTH, RIGHT Och OFF (vänster, båda, höger och från). Vid start och landning ska den alltid stå i läge BOTH. Från tankväljaren rinner bränslet till förgasaren.

Bränslefiltret dräneras genom ett reglage under motorhuven. Tankarna dräneras genom en plugg i varje vinge. Aven tankväljaren har en dräneringsplugg.

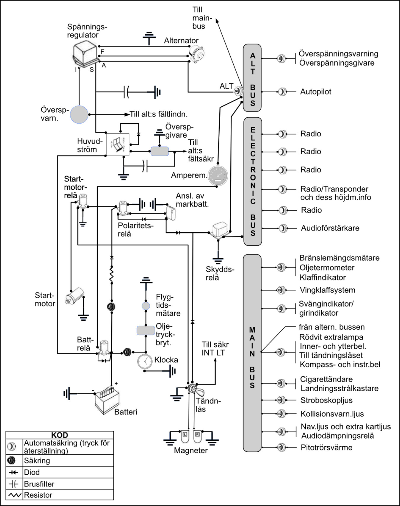
2.7 - Elsystem

Flygplanet är försett med ett 12-volts elsystem, som matas av en motordriven alternator. Som reservströmkälla och för start av motorn finns ett 12-volts batteri med en kapacitet på cirka 25 Ah. Batteriet är placerat framför brandskottet på vänster sida.

Samtliga elförbrukare matas från ett system med tredelad skena. Till en del är elektronisk utrustning (radioutrustning) ansluten, till en annan del är övriga strömförbrukare (belysning, klaffar etc) anslutna utom huvudströmställare och autopilot, som är anslutna till skenans tredje del. Samtliga tre delar är alltid strömförande, utom när startmotorn är inkopplad eller då en markströmkälla är ansluten. I dessa fall kopplar ett relä automatiskt bort den elektroniska delen med radioutrustning som därmed skyddas från skadliga spännings-ändringar.
Den delade skenan kopplas in eller bryts bort genom en tvådelad huvudströmställare (MASTER), som består av en dubbel röd vippströmställare vars högra halva märkt BAT påverkar batteriet, och vars vänstra halva märkt ALT påverkar alternatorn. När dom övre halvorna trycks in (ON) ansluts alternatorn och batteriet, och när dom undre halvorna trycks in (OFF) kopplas alternatorn och batteriet frản.
Normalt ska bägge halvorna användas samtidigt men det räcker att bara koppla till batteriet för att kolla utrustning på marken (t ex bränslemängd, radio och belysning).

När alternatorn kopplas från utsätts batteriet för hela belastningen. Om alternatorn måste kopplas från under flygning är det alltså viktigt att slå från all elektrisk utrustning som inte oundgängligen behövs för att avsluta flygningen.

Elsystem

Motorns tändsystem, elektriska klocka samt flygtidsmätare (extra utrustning) påverkas inte av huvudströmställaren.

För att underlätta motorstart vid kall väderlek kan en markströmkälla anslutas (extra utrustning). Innan markströmkällan ansluts ska huvudströmställaren slås till. Med markströmkällan ansluten och huvudströmställaren tillslagen sker laddning av flygplansbatteriet, om det inte är fulladdat. Under flygning laddas batteriet av alternatorn.

Amperemetern visar strömmen som flyter från alternatorn till batteriet eller från batteriet till flygplanets elsystem. Med motorn igång och alla strömställare utom huvudströmställaren frånslagna visar amperemetern batteriets laddningsström. Om alternatorn är ur funktion eller belastningen överstiger dess uteffekt, indikerar mätaren batteriets urladdnings ström.

Elsystemet är utrustat med ett system som automatiskt kopplar bort alternatorn om laddningsspänningen blir för hög. Då tänds en röd lampa (HIGH VOLTAGE) placerad vid amperemetern. När den är tänd svarar alltså batteriet för all strömförsörjning. Lampan kan testas genom att den vänstra delen av huvudströmställaren (ALT) momentant slås från, medan den högra delen (BAT) är tillslagen.
De flesta strömförbrukare är skyddade med automatsäkringar (PUSH-TO-RESET). Dom sitter under vänster styrratt. Om en säkring löst ut (den vita knappen sticker längre ut än dom andra), och inga symptom på kortslutning finns (rök eller lukt av bränt material), kan det bero på en tillfällig överbelastning. Slå isåfall från strömställarna i den aktuella gruppen, tryck in säkringen och slå till strömställarna igen. Om säkringen löser ut igen är det fel i gruppen. Låt då säkringen vara kvar i utlöst läge.
Batterireläet, klockan och flygtidsmätaren har smält-säkringar monterade intill batteriet. Den extra kartbelysningen säkras av NAV LT-säkringen och en smält-säkring bakom vänster kontrollpanel. Cigarettändaren ligger på LAND LT-säkringen och en automat-säkring på hållaren bakom panelen.

Om mer än en radio är installerad skyddas radions sändarrelä av samma säkring som navigationsljuset (NAV LT). Om denna säkring löser ut pga fel på navigationsljuset kan detta slås från och säkringen därefter tryckas in, varefter radion återigen kan användas.


2.8 - Belysning

2.8.1 - Yttre belysning

Konventionella navigeringsljus (NAV LT) är monterade i ving-spetsarna och högst upp på sidrodret. Kollisionsvarningsljus (BEACON) finns monterat i fenspetsen. Detta bör inte användas när man flyger i moln, ljuset reflekteras då mot vattendroppar i luften och kan särskilt på natten vara irriterande.
Landningsljus (LANDING LIGHTS) monteras i nosen på flygplanet. Som extra utrustning kan installeras ytterbelysning (COURTESY LIGHTS), bestående av en lampa under vardera vingen strax ovanför dörren för att underlätta in- och urstigning under mörker.
Extra starka kollisionsvarningsljus (STROBE LIGHTS) kan monteras i vingspetsarna. Dessa bör vara frånslagna vid markkörning i närheten av andra flygplan samt vid flygning i moln, dimma eller dis. All ovanstående belysning utom ytterbelysningen (COURTESY LIGHTS) regleras med strömställare placerade på vänster kontrollpanel. Strömställarna slås till genom att tryckas uppåt och från genom att tryckas neråt.
Ytterbelysningen tänds med en strömställare på vänster dörrpost.

2.8.2 - Innerbelysning

Instrumenten belyses på tre olika sätt, integral-(electroluminiscent), allmän- (flood) och punkt-belysning (post). Motorinstrument, kompass och radiopaneler har integralbelysning. Integral- och allmän-belysning regleras med en dubbelreostat placerad på vänster kontrollpanel. Det inre vredet, märkt PANEL LT, reglerar allmän- och kompassbelysning, medan det yttre vredet märkt RADIO LT, reglerar belysning av motor-instrument och radiopaneler. En väljare på takarmaturen märkt FLOOD (röd allmänbelysn), BOTH (båda) och POST (vit punkt-belysn) reglerar valet av allmän- eller punktbelysning. Kabin-belysningen (dome light) är placerad i taket och slås till och från med en strömställare intill lampan. Ett extra kartljus kan monteras nertill på styrratten. För att tända detta måste först navigationsljuset (NAV LT) tändas. Sedan kan ljusstyrkan regleras med en reostat på ratten.En extra vridbar lampa med rött eller vitt ljus kan monteras på den främre vänstra dörr-posten. Intill lampan sitter dess strömställare som är märkt RED-OFF-WHITE (rött-från -vitt).

2.9 - Instrument och stallvarning

Flyginstrumenten är placerade i en vibrationsdämpad panel framför vänstra förarplatsen, motorinstrument, vakuummeter framför högra främre platsen och radioutrustningen i mitt-panelen (se bild sidan 19). Fartmätaren får totaltrycket från ett pitotrör, som har elektrisk uppvärmning (PITOT HT). Statiskt tryck för höjdmätare, variometer och fartmätare fås från ett intag på flygkroppens vänstra sida framför kabinen. Reservintag för statiskt tryck kan monteras som extra-utrustning. Detta intag känner trycket i kabinen som dock kan vara något felvisande p g a ventilering exempelvis. Felet kan dock aldrig bli större än att det maximala felet för fart- och höjdmätaren aldrig överskrider 6 kt respektive 30 fot.
Svängindikatorn drivs elektriskt, Ytterlufttermometern är placerad i höger friskluftventil. Som extra utrustning kan även en ingas-termometer installeras. Den är till god hjälp för att bedöma om det finns risk för förgasaris. Speciell risk finns när temperaturen ligger mellan -15°C och +5°c (gul båge).
Stallvarningen utgörs av en "orgelpipa" placerad intill det övre vänstra friskluftintaget. Det börjar ljuda då vingens anfalls-vinkel blivit så stor att luft strömmar genom en öppning pả undersidan av vänster vingframkant. Ljudet börjar höras 5-10 kt före stall.

2.10 - Radioutrustning

Audiopanel

Högtalaren sitter i kabintaket och mikrofonanslutningen på höger sida av pedistalen. Anslutning för hörtelefon finns på vänster kontrollpanel. Som extra utrustning kan en boom-mikrofon installeras. Uttaget till den sitter nedtill på vänster kontrollpanel. Sändarknappen är placerad på vänster del av styrratten.

Om mer än en radio är installerad krävs en speciell väljarpanel, sk audiopanel.

Sändarväljaren (XMTR SEL) väljer sändare (nr 1, 2 eller 3) till mikrofonen. Förstärkaren i denna sändare används då som högtalarförstärkare för all radioutrustning. Skulle denna förstärkare gå sönder måste man välja en annan sändare för att fortsatt kunna lyssna på högtalaren. För avlyssning med hörtelefon behövs ingen förstärkare och dom olika audioväljarna (NAV/COM, ADF) har tre lägen. Mittläget är ett från-(OFF)läge. Uppåt kopplas vald signal till högtalaren (SPEAKER), neråt till hörtelefonen (PHONE). Med AUTO-väljaren i SPEAKER- eller PHONE-läge kopplas NAV/COM-mottagaren med samma siffra, som sändarväljaren (XMTR SEL) står på, automatiskt in på högtalare (SPEAKER) eller hörtelefon (PHONE).

2.11 - Obligatorisk lös utrustning

Sjukvårdslåda, brandsläckare, checklista, nödchecklista och fpl-dokument (se kap IV) ska alltid medföras under flygning. Vid avancerad flygning respektive sjöflygning eller flygning över öde-marker kräver BCL ytterligare en del utrustning (fallskärm, flytväst, ankare, länspump, nödutrustning etc). Se respektive supplement. 1


2.12 - Extrautrustning

Förutom den extrautrustning som hittills nämnts i texten kan följande monteras:

TAS-indikator
Utanpå fartmätaren monteras ett par skalor (0AT i °F, täthetshöjd och TAS). Med en knopp ställs flygplanets tät-hetshöjd (höjdmätarens indikering då den står på, 1013 mb) mot OAT (termometern sitter uppe i den ena friskluftventilen). Fartmätarens nål indikerar nu IAS på sin egen skala och TAS på den yttre skalan.

ELT (emergency locator transmitter) = nödsändare
ELT:n är en orangefärgad box med inbyggt batteri. Den är monterad bakom bakre bagage rummet och startar auto-matiskt om den utsätts för en belastning större än 5 g. Placeringen bakom bagage rummets bakre vägg gör sändaren ganska svåråtkomlig under flygning - särskilt om väggen måste monteras bort. Den kan sända kontinuerligt på 121,5 och 243,0 MHz, under upp till 48 timmar.
På framsidan sitter en väljare med lägena ON (Till), OFF (Från) och ARM (Armerad) Den ska stå i läge ARM för att 5g-kretsen automatiskt ska starta sändaren då denna belastning över-skridits.
Efter åsknedslag, kraftig turbulens, en hård landning eller liknande kan sändaren sätta igång. Ställ då COM-mottagaren på 121,5 och om ELT:ns ton då hörs, måste den stoppas genom att väljaren ställs i läge OFF (Från), varefter den åter kan ställas i ARM. Läget ON (Till) används om sändaren misstänks inte ha startat automatiskt. Efter ett haveri ska sändaren lämnas på, ända tills hjälp anlänt och siktat haveri-platsen Stanna då ELT:n (OFF=Från), starta COM-anläggningen och försök få kontakt på 121,5 MHz. Test av nödsändaren får bara göras enligt myndigheternas bestämmelser.

Fotnoter


  1. Se EASA del-NCO.IDE.A.180.